生态袋护岸的应用技术要点
生态袋护岸可适用于各种河道断面型式,常用于斜坡式或多级斜坡式河道断面。其技术要点如下:
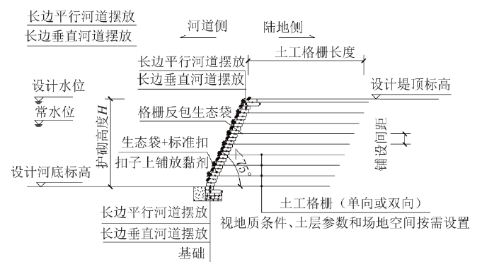
(1)适用边坡范围。若单独使用生态袋护岸,坡度一般情况下小于50°,高度H<3m,可根据现状自然地形确定。若陆地侧空间受限,需要增加坡度,可结合土工格栅一起使用。土工格栅分层平铺于袋后回填土内,与回填土体形成整体。其本身具有较高的抗压和抗拉特性,可提高回填土的抗剪指标,保证坡比较陡时堤身的安全稳定。此时极限坡度应不大于75°,土工格栅的规格、力学参数、铺设长度和间距可视工程所在地的土层参数和场地空间等按需设置。
(1)适用边坡范围。若单独使用生态袋护岸,坡度一般情况下小于50°,高度H<3m,可根据现状自然地形确定。若陆地侧空间受限,需要增加坡度,可结合土工格栅一起使用。土工格栅分层平铺于袋后回填土内,与回填土体形成整体。其本身具有较高的抗压和抗拉特性,可提高回填土的抗剪指标,保证坡比较陡时堤身的安全稳定。此时极限坡度应不大于75°,土工格栅的规格、力学参数、铺设长度和间距可视工程所在地的土层参数和场地空间等按需设置。
(2)生态袋铺设范围。生态袋底标高一般设置在设计河底标高位置处。根据实际需要及景观要求,生态袋顶标高可布置在常水位附近,采用多级斜坡式,常水位至设计堤顶高程之间放坡顺接,也可直接铺设至设计堤顶高程。
(3)基础。一般情况下,为避免生态袋护岸发生过大沉降和变形,应设置基础层,厚度不应小于0.2m,具体厚度视场地地质条件确定。
(4)施工前准备。生态袋护岸施工准备工作包括坡面整平、基础夯实及预留开挖工作面等。夯实后的基础可以有效控制结构的沉降和变形。开挖区域宽度必须足够容纳生态袋堆砌要求,若有设置加筋土工格栅,还需要考虑格栅铺设所需要的场地空间。
(5)装袋。根据景观植物的品种及对应的规格,可选择植生土或素填土。同时为了增强土体的透水透气性,避免土体板结而影响植物扎根,应在填料中掺入约30%的中粗砂。装袋需满、实、紧,现装现垒。若填充好的袋体长时间搁置,受到暴晒或淋雨,会影响护岸的整体性。
(6)码砌。基础处理完毕后,堆放底袋,底袋长边宜垂直河道摆放。底袋以上至顶袋以下,生态袋长边平行于河道摆放。顶袋宜垂直河道摆放,兼作压顶,以确保结构稳固。
(7)锁定。标准扣用于锁定两个相邻的生态袋。
(8)土方回填。生态袋后回填料的综合摩擦角应大于30°,且应选择透水性较好的材料分层回填,并分层夯实。分层厚度应控制在30cm以内,夯实度应不小于93%。夯实和回填时,靠近袋体的位置应使用较小的施工机械,避免对护岸结构产生不利影响。
(9)绿化种植。植被应尽量选用当地易成活、易养护物种,可以选择一种或多种。播种方式可采用喷播和插播。喷播方式主要用于大范围绿化覆盖,施工便利快捷。插播适用于乔木、灌木或花类植物。






首页
电话
联系